Tutto quello che devi sapere, sul tuo trattore.

Ricerca il manuale, libretto d'uso, di manutenzione e di funzionamento cliccando sulla marca di interesse.

Cerca nel blog

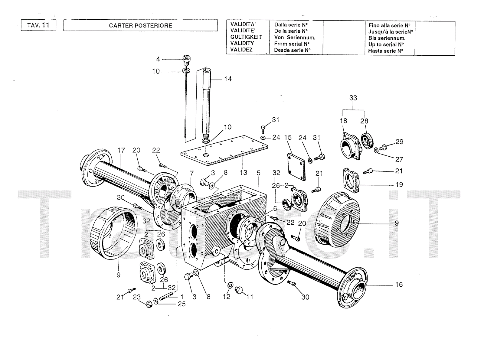
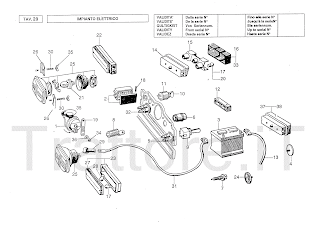
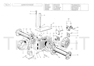
Manuale (esploso meccanico) Motoagricola Valpadana MTA 1820 Car















































































Sito di esclusiva consultazione e libera informazione, senza impegno e responsabilità per contenuti e aggiornamenti.