InfoTrattore.it
Tutto quello che devi sapere, sul tuo trattore.
Ricerca il manuale, libretto d'uso, di manutenzione e di funzionamento cliccando sulla marca di interesse.
Cerca nel blog
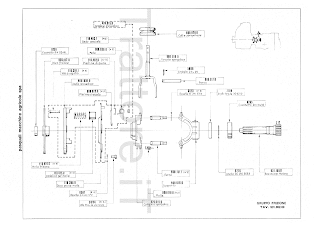
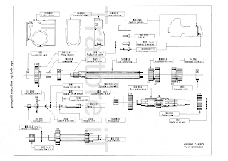
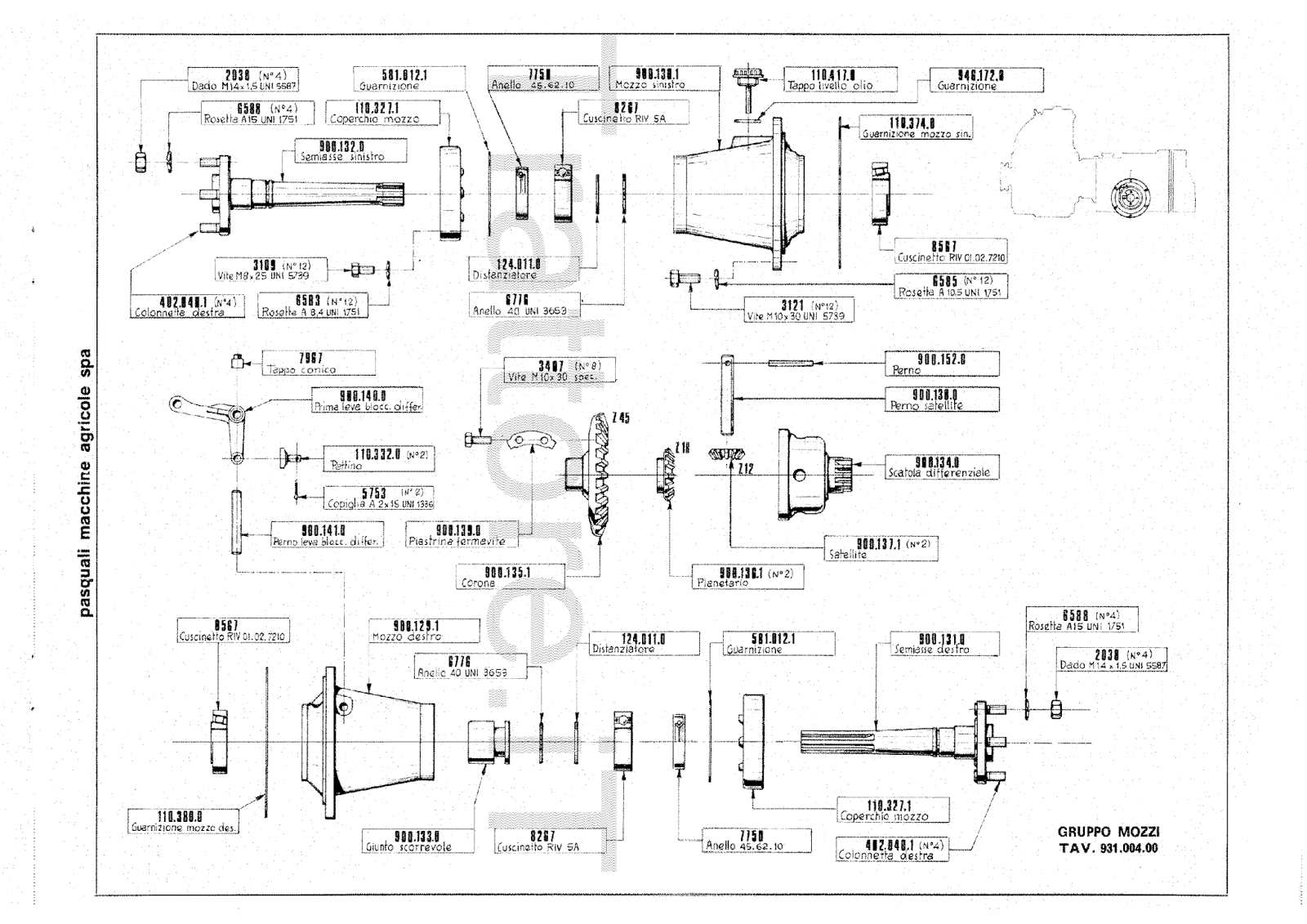
Motocoltivatore Pasquali 937 CV 14 manuale ricambi 1980
Fonte:
Trattore.it
Post più recente
Post più vecchio
Home page
Sito di esclusiva consultazione e libera informazione, senza impegno e responsabilità per contenuti e aggiornamenti.